阳光首页
技术专业
学校图片
课程规划
教学管理
学校概况
成功学子
就业导航
技术园地
精锐师资
学子心声
您现在的位置:
湖南阳光电子技术学校
->
技术园地
->
显示器
阳光喜讯:
学校赠送每位学生:①全套生活用品、床上用品。②全套维修工具。③全套精编教材。
来校路线
学费标准
入学须知
联系方式
食宿介绍
就业安置
在线报名
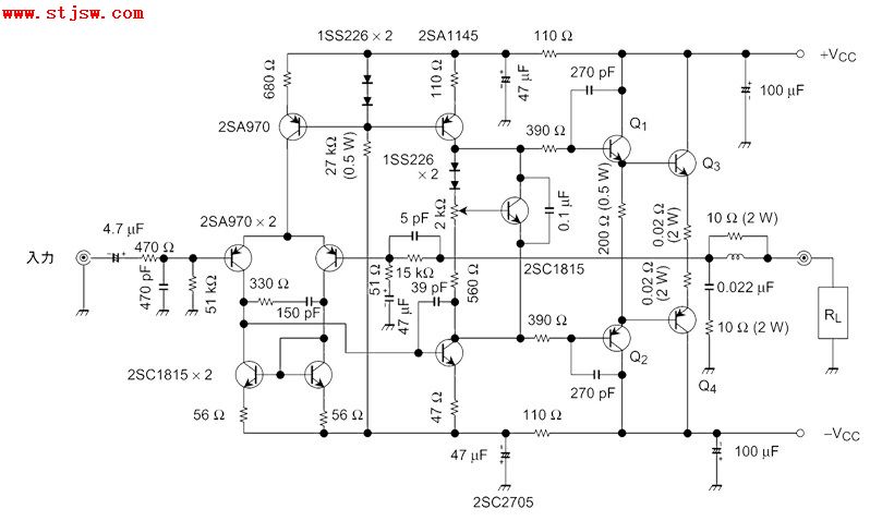
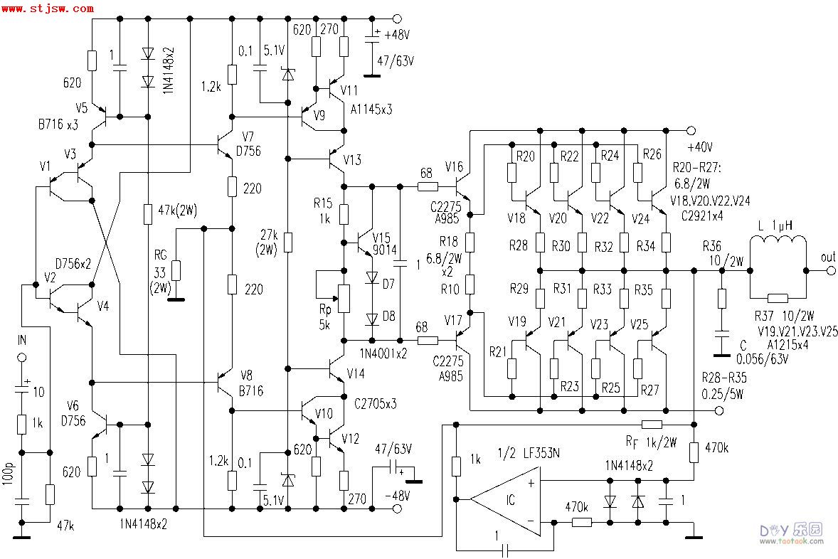
经典功放电路图
经典功放
电路
图
看看百度收录:[
经典功放电路图
]
2013-6-17 10:19:49
统计:[
]
相关新闻
上一篇:
百灵BL-30A功率放大器电路部分电路图
下一篇:
有关音箱的基础知识
技术空间
电工焊工
电视维修
手机维修
空调维修
冰箱维修
液晶电视
网络工程
显示器
笔记本
数码产品
基础知识
电脑维修
招生问答
»更多
学费是多少,学费里面包括了..
11-28
毕业后,维修工具配件哪里买..
11-28
你们学校在哪里?
11-28
来你校学习的学生人员结构的..
11-28
我家庭经济困难,孩子又想读..
11-28
什么是芯片级手机维修
11-28
孩子初中毕业后,应该让孩子..
11-28
你校的教学特色是什么?
11-28
你们学校的培训项目里有哪些..
11-28
当前中职生的就业形势怎样?..
11-28
咨询热线:0731-85579057
咨询热线:13308461099
报名电话:0731-85579057
技术专业
»更多
中级电工培训
11-27
全能家电维修培训
11-27
中级焊工培训
11-27
电脑手机维修培训
11-27
中级电工焊工培训
11-27
冰箱空调**冷维修培训
11-27
电子维修实战大专班(考试合格颁发国家承..
11-27
全能电脑维修培训
11-27
电脑电器维修培训
11-27
液晶电视维修培训
11-27
芯片级手机维修培训
11-27
家电手机维修培训
11-27
学校图片
»更多
看,我们修电器已..
实操楼外景
每月进行一次摸底..
学生在认真实操
学生在实操课认真..
冰箱空调维修班学..
来校路线
学费标准
入学须知
联系方式
食宿介绍
就业安置
在线报名
阳光电子学校
阳光-中国电器维修教育品牌倡导者
电工培训学校
电动车维修学校
摩托车维修学校
摩托车维修培训
手机维修培训
家电维修培训
电脑维修培训
电动工具维修培训
液晶电视维修培训
安防监控培训
空调维修培训
网络营销培训
网站设计培训
淘宝网店培训
电器维修培训
家电维修学校
电工培训
焊工培训
电工学校
中山市,固原市,银川市,玉树,海东,陇南市,酒泉市,张掖市,天水市,金昌市,兰州市,榆林市,延安市,渭南市,铜川市,阿里,山南,拉萨市,怒江,文山州,楚雄州,普洱市,昭通市,玉溪市,昆明市,毕节,铜仁,遵义市,贵阳市,甘孜州,资阳市,达州市,宜宾市,南充市,遂宁市,绵阳市,泸州市,自贡市,三亚市,崇左市,河池市,玉林市,钦州市,梧州市,柳州市,梅州市,肇庆市,湛江市,佛山市,珠海市,韶关市,湘西州,怀化市,郴州市,张家界市,邵阳市,株洲市,仙桃市,随州市,荆州市,荆门市,襄樊市,黄石市,驻马店市,信阳市,南阳市,漯河市,中卫市,石嘴山市,海西,海南藏州,黄南州,海北,甘南,庆阳市,平凉市,武威市,白银市,嘉峪关市,安康市,汉中市,咸阳市,宝鸡市,林芝,日喀则,昌都,迪庆,德宏,大理,西双版纳,红河州,临沧市,丽江市,保山市,曲靖市,黔东州,黔西州,安顺市,六盘水市,凉山州,阿坝州,雅安市,广安市,眉山市,内江市,广元市,德阳市,攀枝花市,成都市,海口市,来宾市,百色市,贵港市,北海市,桂林市,南宁市,云浮市,揭阳市,潮州市,清远市,阳江市,汕尾市,惠州市,茂名市,江门市,汕头市,深圳市,广州市,娄底市,永州市,益阳市,岳阳市,湘潭市,长沙市,恩施州,黄冈市,孝感市,鄂州市,十堰市,武汉市,周口市,商丘市,三门峡市,许昌市,焦作市,安阳市,鹤壁市,平顶山市,开封市,郑州市,聊城市,滨州市,德州市,莱芜市,日照市,泰安市,烟台市,潍坊市,东营市,淄博市,上饶市,济南市,抚州市,宜春市,赣州市,新余市,九江市,景德镇市,宁德市,南平市,泉州市,莆田市,厦门市,宣城市,亳州市,六安市,宿州市,黄山市,滁州市,安庆市,淮北市,马鞍山市,蚌埠市,芜湖市,合肥市,丽水市,舟山市,衢州市,金华市,湖州市,嘉兴市,宁波市,宿迁市,镇江市,盐城市,连云港市,苏州市,徐州市,南京市,绥化市,牡丹江市,佳木斯市,大庆市,鹤岗市,哈尔滨市,白城市,白山市,辽源市,吉林市,葫芦岛市,铁岭市,盘锦市,阜新市,锦州市,本溪市,鞍山市,沈阳市,锡林郭勒盟,通辽市,乌海市,吕梁市,忻州市,晋中市,晋城市,阳泉市,太原市,廊坊市,承德市,保定市,邯郸市,唐山市,宁夏,甘肃省,西藏,贵州省,重庆市,广西,湖南省,河南省,江西省,安徽省,江苏省,黑龙江省,辽宁省,山西省,天津市,四平市,内蒙古,吴忠市,果洛,西宁市,定西市,商洛市,西安市,那曲,黔南州,巴中市,乐山市,贺州市,防城港市,东莞市,河源市,常德市,衡阳市,咸宁市,宜昌市,濮阳市,新乡市,洛阳市,菏泽市,临沂市,威海市,济宁市,枣庄市,青岛市,吉安市,鹰潭市,萍乡市,南昌市,龙岩市,漳州市,三明市,福州市,池州市,巢湖市,阜阳市,铜陵市,淮南市,台州市,绍兴市,温州市,杭州市,泰州市,扬州市,淮安市,南通市,常州市,无锡市,大兴安岭,黑河市,七台河市,伊春市,双鸭山市,鸡西市,齐齐哈尔市,延边,松原市,通化市,长春市,朝阳市,辽阳市,营口市,丹东市,抚顺市,大连市,阿拉善盟,兴安盟,乌兰察布市,巴彦淖尔市,呼伦贝尔市,鄂尔多斯市,赤峰市,包头市,呼和浩特市,临汾市,运城市,朔州市,长治市,大同市,衡水市,沧州市,张家口市,邢台市,秦皇岛市,石家庄市,青海省,陕西省,云南省,四川省,海南省,广东省,湖北省,山东省,福建省,浙江省,上海市,吉林省,河北省,北京市