制作18W电子管+场效应管输出甲类功放电路原理图
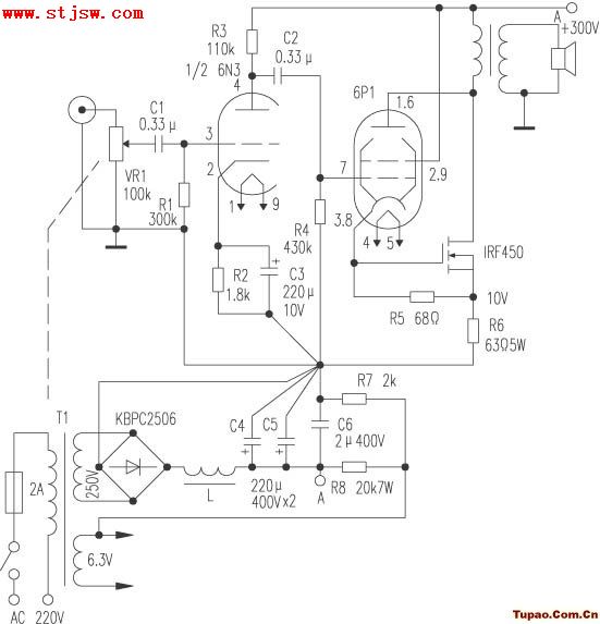
这是一款输出功率18W的甲类功放,末级采用电流串联负反馈电路(输出级自给偏压电阻两端旁路电容被取消),电气性能优越。电路如图。
输入级为双三极管6N3,末级为6P1与IRF450共同输出。双声道只需电子管三只,6N3与6P1都是花生管,场管IRF450的市面折机品价位也十分低廉。
6N3的放大倍数μ=35,互导gm=5.9mA/V,共阴放大,6P1输出约4W,IRF450输出14W,共同输出18W。IRF450可用其他场效应功率管代替,但其反向耐压必须大于500V,功耗大于100W。本例IRF450工作电流113mA时,栅源压降3.5V,因此取R5为68Ω(注意,不同场管数据会有所差异,应实测)。若改变R6值,即可改变本机的输出功率。但如果IRF450工作电流过大,容易引起自激。
输出变压器需自制,其铁心截面积S=10cm2,初次级匝数为14∶1,阻抗比为1560Ω∶8Ω,初级漆**线∮=0.29mm,绕2100匝,次级线∮=1.00mm,绕150匝,不必分段绕制,就能取得良好效果。注意,不要使铁片交叉,固定铁心的铁夹或铁板条不能继续使用,要用铝板重做。铁心的三个柱面皆放一层牛皮纸做间隙层,确保铁心没有一点磁饱和,这样变压器失真才能减到 小,电感L铁心截面S=9cm2,漆**线∮=0.33mm,绕满即可,IRF450要用较大散热器以利散热。
本机无大环负反馈,瞬态响应良好,电路简捷。需要注意的是6P1的工作电流,应使其为50mA。需要调整的是R6的阻值,以定末级输出功率。
输入级为双三极管6N3,末级为6P1与IRF450共同输出。双声道只需电子管三只,6N3与6P1都是花生管,场管IRF450的市面折机品价位也十分低廉。
6N3的放大倍数μ=35,互导gm=5.9mA/V,共阴放大,6P1输出约4W,IRF450输出14W,共同输出18W。IRF450可用其他场效应功率管代替,但其反向耐压必须大于500V,功耗大于100W。本例IRF450工作电流113mA时,栅源压降3.5V,因此取R5为68Ω(注意,不同场管数据会有所差异,应实测)。若改变R6值,即可改变本机的输出功率。但如果IRF450工作电流过大,容易引起自激。
输出变压器需自制,其铁心截面积S=10cm2,初次级匝数为14∶1,阻抗比为1560Ω∶8Ω,初级漆**线∮=0.29mm,绕2100匝,次级线∮=1.00mm,绕150匝,不必分段绕制,就能取得良好效果。注意,不要使铁片交叉,固定铁心的铁夹或铁板条不能继续使用,要用铝板重做。铁心的三个柱面皆放一层牛皮纸做间隙层,确保铁心没有一点磁饱和,这样变压器失真才能减到 小,电感L铁心截面S=9cm2,漆**线∮=0.33mm,绕满即可,IRF450要用较大散热器以利散热。
本机无大环负反馈,瞬态响应良好,电路简捷。需要注意的是6P1的工作电流,应使其为50mA。需要调整的是R6的阻值,以定末级输出功率。
看看百度收录:[ 制作18W电子管+场效应管输出甲类功放电路原理图]
2013-6-17 10:20:21统计:[]

