用LM4766制作电子两分频功放及音箱
动手能力较强的音响发烧友,可自己动手,制作出高性能的音响器材。下面介绍一例。
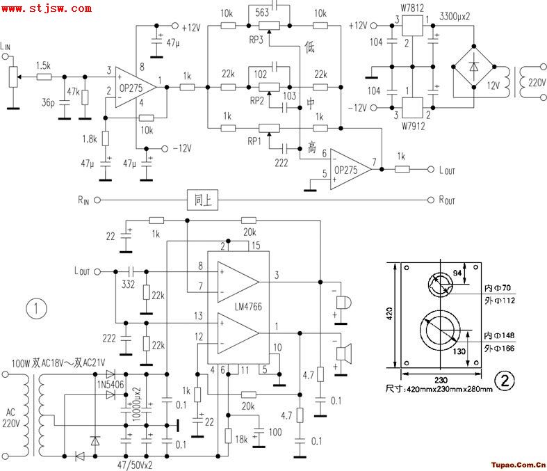
一、电子两分频功放。 前级分频优于功率分频,插入损耗小,分频点可根据扬声器单元性能灵活调节。不过,前级分频电路的优劣决定着电子分频功放的效果。目前,国内业余制作多采用复杂的RC有源电路作为前级分频,分频曲线陡度均选在12dB/oct或24dB/oct以上,这样,由于元器件较多,分频精度受影响、调试复杂,业余制作不太方便。其实,有时只需采用一RC无源分频网络即可,这样,分频点较准确,且具有较好的振幅特性和相位特性。
电子两分频功放整套电路由高、中、低音前级处理和LM4766×2功放组成(电路见图1)。
LM4766是美国NS公司新品,声音丰满厚实,可以弥补中小型音箱声音偏冷的缺点,被誉为有胆机风味的IC功放,LM4766主要指标如下:工作电压为±10V~±30V,极限值为±35V,故要求变压器次级电压为交流双18V至双22V之间。连续输出功率为(8Ω)40W×2,失真为0.009%,信噪比为112dB。内部具有过压、欠压及该公司的专利技术——安全区SPIKE峰值保护,故开/关机时基本上无噪音,为装机提供了方便。LM4766内部是双声道结构,双声道电子分频功放需两只IC。
制作时注意,电阻均选0.25W五色环金属膜电阻,电容以CBB、MKT为首选,耦合电容选用红色WIMA品种,滤波电容选用10000μF,以红宝石、黑金钢为首选。变压器选用300W的环牛供电,环牛有双20V主绕组和双12V副绕组。双20V主绕组可供LM4766×2电子两分频功放板,音调板有四只电位器和整流滤波±12V稳压电路,接交流双12V即可工作。印板自己动手设计时要注意地线走向,以免引入干扰。
制作完成后,可依以下步骤检查:1.变压器次级电压要为交流20V、12V,整流滤波后的电压要为±28V、±12V。2.LM4766的{2}、{15}脚电压为+28V,{4}脚为-28V,{11}脚电压为-5V,其余各脚均为0,运放OP275的{8}、{4}脚电压为±12V,其余各脚为0,基本无误后,即可接入喇叭试听。
二、音箱的制作。 一套音响组合,音箱是很重要的,成本要占整套音响系统的50%,这里推荐一套两分频书架音箱,见图2。喇叭选用合资产“天笛”牌,低音为YD165-8X(8Ω40W),高音为软球顶(8Ω20W),音箱板材为12毫米厚,内涂沥青减振,外喷天蓝色钢琴漆,带网罩。
采用图1功放,与此两分频书架式音箱组合,信号源选用新科280影碟机,重放一曲《在那遥远的地方》,高音清脆明亮、穿透力强、低音丰满圆润,柔和耐听,颇有“胆色”。这种电子分频功放层次之清、频响之宽、动态之大、解析力之高、瞬态之佳,是大大出乎意料的,充分展现出了电子分频功放独特、迷人的魅力。
三、摩机方法。 如果认为LM4766功率小,可选用TDA7294或LM3886代换,性能会进一步提高,音调板也可换用LM4610,前级可加入XR1075音效增强器、QS7779虚拟杜比环绕处理器等。如果想节约成本,也可选用4只LM1875组成电子分频功放,只是LM1875在大功率放音时噪音大一些。
一、电子两分频功放。 前级分频优于功率分频,插入损耗小,分频点可根据扬声器单元性能灵活调节。不过,前级分频电路的优劣决定着电子分频功放的效果。目前,国内业余制作多采用复杂的RC有源电路作为前级分频,分频曲线陡度均选在12dB/oct或24dB/oct以上,这样,由于元器件较多,分频精度受影响、调试复杂,业余制作不太方便。其实,有时只需采用一RC无源分频网络即可,这样,分频点较准确,且具有较好的振幅特性和相位特性。
电子两分频功放整套电路由高、中、低音前级处理和LM4766×2功放组成(电路见图1)。
LM4766是美国NS公司新品,声音丰满厚实,可以弥补中小型音箱声音偏冷的缺点,被誉为有胆机风味的IC功放,LM4766主要指标如下:工作电压为±10V~±30V,极限值为±35V,故要求变压器次级电压为交流双18V至双22V之间。连续输出功率为(8Ω)40W×2,失真为0.009%,信噪比为112dB。内部具有过压、欠压及该公司的专利技术——安全区SPIKE峰值保护,故开/关机时基本上无噪音,为装机提供了方便。LM4766内部是双声道结构,双声道电子分频功放需两只IC。
制作时注意,电阻均选0.25W五色环金属膜电阻,电容以CBB、MKT为首选,耦合电容选用红色WIMA品种,滤波电容选用10000μF,以红宝石、黑金钢为首选。变压器选用300W的环牛供电,环牛有双20V主绕组和双12V副绕组。双20V主绕组可供LM4766×2电子两分频功放板,音调板有四只电位器和整流滤波±12V稳压电路,接交流双12V即可工作。印板自己动手设计时要注意地线走向,以免引入干扰。
制作完成后,可依以下步骤检查:1.变压器次级电压要为交流20V、12V,整流滤波后的电压要为±28V、±12V。2.LM4766的{2}、{15}脚电压为+28V,{4}脚为-28V,{11}脚电压为-5V,其余各脚均为0,运放OP275的{8}、{4}脚电压为±12V,其余各脚为0,基本无误后,即可接入喇叭试听。
二、音箱的制作。 一套音响组合,音箱是很重要的,成本要占整套音响系统的50%,这里推荐一套两分频书架音箱,见图2。喇叭选用合资产“天笛”牌,低音为YD165-8X(8Ω40W),高音为软球顶(8Ω20W),音箱板材为12毫米厚,内涂沥青减振,外喷天蓝色钢琴漆,带网罩。
采用图1功放,与此两分频书架式音箱组合,信号源选用新科280影碟机,重放一曲《在那遥远的地方》,高音清脆明亮、穿透力强、低音丰满圆润,柔和耐听,颇有“胆色”。这种电子分频功放层次之清、频响之宽、动态之大、解析力之高、瞬态之佳,是大大出乎意料的,充分展现出了电子分频功放独特、迷人的魅力。
三、摩机方法。 如果认为LM4766功率小,可选用TDA7294或LM3886代换,性能会进一步提高,音调板也可换用LM4610,前级可加入XR1075音效增强器、QS7779虚拟杜比环绕处理器等。如果想节约成本,也可选用4只LM1875组成电子分频功放,只是LM1875在大功率放音时噪音大一些。
看看百度收录:[ 用LM4766制作电子两分频功放及音箱]
2013-6-17 10:20:24统计:[]

