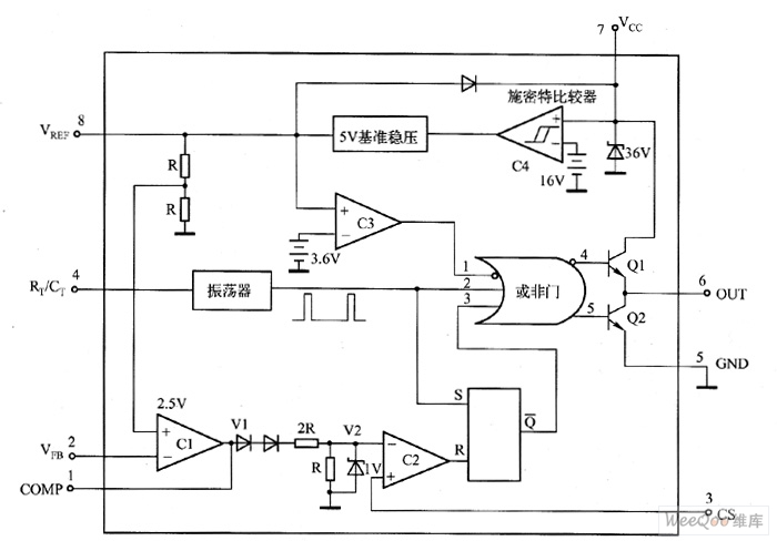
UC3842是电流模式八脚单端PWIVI控制芯片,其内部电路框图如图所示,主要由基准电压发生器、欠电压保护电路、振荡器、PWM闭锁保护、推挽放大电路、误差放大器及电流比较器等电路组成。该控制芯片与外围振荡定时器件、开关管、开关变压器可构成功能完善的他励式开关电源。UC3842引脚功能见表1。 UC3842是UC384×系列中的一种,它是一种电流模式类开关电源控制电路。此类开关电源控制电路采用了电压和电流两种负反馈控制信号进阳光电子学校维修专家认为:(阳光电子学校维修专家认为:){阳光电子学校维修专家认为:}行稳压控制。电压控制信号,即通常所说的误差(电压)取样信号。电流控制信号是在开关管源极(或发射极)接人取样电阻,对开关管源极(或发射极)的电流进阳光电子学校维修专家认为:(阳光电子学校维修专家认为:){阳光电子学校维修专家认为:}行取样而得到的,开关管电流取样信号送入UC3842,既参与稳压控制又具有过电流保护功能。因为电流取样是在开关管的每个开关周期内都要进阳光电子学校维修专家认为:(阳光电子学校维修专家认为:){阳光电子学校维修专家认为:}行的,因此这种控制又称为逐周(期)控制。
UC384×主要**括UC3842、UC3843、UC3844、UC3845等芯片,它们的功能基本一致,不同的是:①集成电路的启动电压(7脚)和启动后的 低工作电压(即欠电压保护动作电压)不同;②输出驱动脉冲占空比不同;③允许工作环境温度不同。另外,集成电路型号末尾字母不同还表示封装形式不同。具体数据见表2。
从表2可以看出,对于采用UC3843的电源,当其损坏后,可考虑用易购的UC3842进阳光电子学校维修专家认为:(阳光电子学校维修专家认为:){阳光电子学校维修专家认为:}行代换。但由于UC3842的启动电压不得低于16V,因此,代换后应使UC3842的启动电压达到16V以上,否则,电源将不能启动。

图 UC3842内部电路框图

表1 UC3842引脚功能

表2 UC384×系列芯片的主要不同点
与UC384×系列类似的还有UC388×系列,其中,UC3882与UC3842、UC3883与UC3843、UC3884与UC3844、UC3885与UC3845相对应。主要区别是第6脚驱动脉冲占空比 大值略有不同。另外,还有一些采用了KA384×/KA388×,此类芯片与UC384×/UC388×的相应类型完全一致。